siirry päävalikkoon

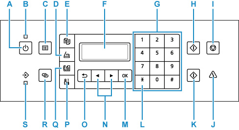
Käyttöpaneeli

A: KÄYTÖSSÄ (ON)-painike

Kytkee tai katkaisee virran. Varmista ennen virran kytkemistä, että asiakirjakansi on suljettu.

B: KÄYTÖSSÄ (ON)-merkkivalo
Vilkkuu ensin ja jää sitten palamaan, kun virta kytketään.
C: VALIKKO (MENU)-painike
Tuo näkyviin Kopiointivalikko (Copy menu)-, Skannausvalikko (Scan menu)- tai Faksivalikko (Fax menu)-näytön.
D: SKANNAUS (SCAN) -painike
Siirtää tulostimen skannaustilaan.
E: KOPIO (COPY) -painike
Siirtää tulostimen kopiotilaan.
F: LCD (nestekidenäyttö)
Näyttää ilmoituksia, valikkokohdat ja laitteen toimintatilan.
G: Numeropainikkeet
Numeroarvojen (kuten kopioiden määrän) sekä faksi- ja puhelinnumeroiden ja kirjainten syöttämistä varten.
H: Musta (Black) -painike
Käynnistää esimerkiksi mustavalkokopioinnin, -skannauksen tai -faksauksen.
I: Pysäytä (Stop) -painike
Peruuttaa meneillään olevan tulostus-, kopiointi- tai skannaustoiminnon tai faksin lähetys- tai vastaanottotoiminnon.
J: Häiriö (Alarm) -merkkivalo
Palaa tai vilkkuu, kun tapahtuu virhe.
K: Väri (Color) -painike
Käynnistää värikopioinnin, -skannauksen tai -faksauksen.
L: Äänitaajuus (Tone) -painike
Kytkee käyttöön äänitaajuusvalinnan, jos tulostin on kytketty pulssivalintaiseen puhelinliittymään.
M: OK -painike
Vahvistaa valikkovaihtoehdon valinnan tai asetuksen arvon. Tällä painikkeella ratkaistaan myös virhe tai poistetaan ADF:n (automaattinen asiakirjansyöttölaite) asiakirjat.
N: vasen- ja oikea-painikkeet

Käytetään asetuskohteen valitsemiseen. Näitä painikkeita käytetään myös merkkien syöttämiseen.

O: Takaisin (Back) -painike
Palauttaa edellisen näytön LCD-näyttöön.
P: Asetukset (Setup) -painike
Tuo näkyviin Asetusvalikko (Setup menu) -näytön. Tämän valikon avulla voit huoltaa tulostinta ja muuttaa tulostimen asetuksia. Käytetään myös syöttötilan valinnassa.
Q: FAKSI (FAX) -painike
Siirtää tulostimen faksitilaan.
R: Langaton yhteys (Wireless connect) -painike
Voit asettaa langattoman reitittimen tiedot tulostimeen suoraan älypuhelimesta tai muusta laitteesta (tarvitsematta tehdä mitään toimenpidettä reitittimeen) pitämällä tätä painiketta painettuna.
S: Faksimuisti (FAX Memory) -lamppu
Vilkkuu, kun tulostimen muistissa on vastaanotettuja tai lähettämättömiä asiakirjoja.